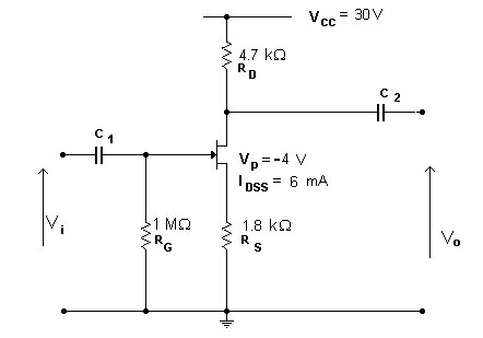
The circuit below shows a self-biased common source FET amplifier:
(a) Use Shockley's equation to find ID and VGS
(b) Differentiate to find gm , the transconductance at the operating point
(c) Find the voltage gain of the amplifier for Medium Frequencies
(d) Give the input and output impedance of the amplifier
