EL31P Game Port

Some information on the Game Port

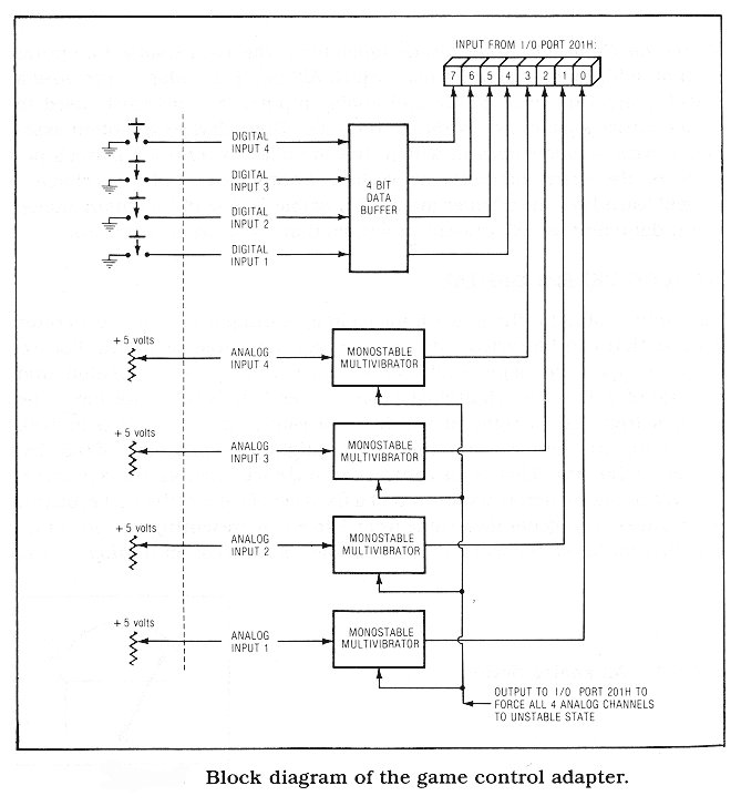
Block Diagram of the Game Control Adapter

Monostable Multivibrator Timing Diagram

Pin Identification on the Game Control Adapter

the Joystick Demonstration Program - Page 1

the Joystick Demonstration Program - Page 2

the Joystick Demonstration Program - Page 3

the Joystick Demonstration Program - Page 4

the Joystick Demonstration Program - Page 5

MANY THANKS to the following source for these Diagrams:

8088 Assembler Language Programming: The IBM PC by David Willen & Jeffrey Krantz (Howard W. Sams & Co., a division of Macmillan)


EL31P Homepage